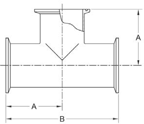
7MP TEE, CLAMP ENDS

Contact Us

Part NumberSize (inches)ABSTP FilePDF File
7MP-.501/21.2502.500STP
7MP-.753/42.3754.750STP
7MP-112.3754.750STP
7MP-1.51 1/22.7505.500STP
7MP-223.5007.000STP
7MP-2.52 1/23.5007.000STP
7MP-333.7507.500STP
7MP-444.5009.000STP
7MP-666.37512.750STP

Ready to Order?

Did you know

that the Partner Portal allows you to:

  • View available inventory
  • Access MTRs immediately
  • Simplify your order history with Customized Order View 

Sign Up Today